
觸頭盒為環(huán)氧樹脂APG工藝壓力凝膠成型結構,用于各種手車式開關柜,起絕緣隔離和聯(lián)接過渡作用。

1.海拔高度不超過1000M;
2.周圍氣溫+40℃~10℃;
3.當空氣溫度+20℃時,相對濕度布超過95%;
4.無嚴重影響觸頭盒絕緣的氣體、蒸汽、灰塵及其它爆炸性和腐蝕介質的場所。
1.觸頭盒同觸頭對地應能耐受工頻實驗電壓(有效性)42KV,歷時5分鐘,雷電沖擊(峰值)75KV;
2.觸頭盒在額定電流下,長期工作下出線端部溫升不超過65℃;
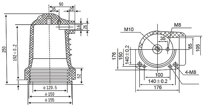
3.觸頭盒外形及安裝尺寸見附圖。
